
Photos of Construction Machinery Hydraulic Cylinder













UG Series Medium & High Pressure Hydraulic Cylinders
A Standardized Hydraulic Cylinder Platform Based on Decades of Custom Engineering Experience
Product Overview
The UG Series medium and high-pressure hydraulic cylinders are independently developed by Uranus Hydraulic based on decades of extensive experience in large-scale custom hydraulic cylinder manufacturing.
Designed on a standardized structural platform while retaining high modularity and configuration flexibility, the UG Series is suitable for construction machinery, industrial equipment, and heavy-duty applications. This series successfully integrates custom engineering capability with standardized industrial production, delivering stable performance, high reliability, and long service life.
Key Specifications & Configurations
Functional Types
Mounting Styles
・Front clevis mount
・Mid clevis mount
・Front flange mount
・Rear flange mount
・Foot mount
Rod End Connections
・Threaded rod end
・Self-lubricating bushing eye
・Spherical bearing eye
Pressure Ratings & Dimensions
・Pressure rating: 16 MPa / 21 MPa
・Bore diameter: φ40 – φ250 mm (15 sizes)
・Rod diameter: φ20 – φ180 mm (23 sizes)
・Maximum stroke: up to 10 m (subject to rod stability conditions)
Manufacturing Capability
Key components of the UG Series hydraulic cylinders—including piston rods, cylinder tubes, pistons, cylinder heads, and end caps—are manufactured using precision CNC machining centers and controlled under strict quality management procedures.
All cylinders are equipped with low-friction, high wear-resistant premium sealing systems, ensuring stable operation under high load, impact, and demanding working conditions.
Quality Control & Testing
Each UG Series hydraulic cylinder undergoes comprehensive performance testing prior to delivery, focusing on:
・Zero external leakage
・High mechanical efficiency
・Excellent resistance to shock and vibration
・Long service life
All product drawings, inspection records, and test reports are archived for more than 10 years, ensuring full traceability and quality verification.
Lifetime Quality Commitment
For any quality issues caused by design or manufacturing defects, Uranus Hydraulic provides lifetime free repair or replacement, offering long-term reliability and confidence to customers.
About Uranus Hydraulic
Founded in 1995, Uranus Hydraulic is a technology-driven manufacturer specializing in high-end hydraulic transmission products and mechatronic intelligent equipment integrating mechanics, hydraulics, optics, and electronics.
The company has archived over 50,000 sets of custom product drawings, holds 100+ national invention and utility model patents, and operates with 3D parametric design software, PDM product lifecycle management systems, and continuously optimized ERP systems.
Uranus Hydraulic is certified to ISO 9001, ISO 14001, and ISO 45001, and its products are widely trusted by customers worldwide for their technical sophistication and consistent quality.
Related Product Series
・UY Series Heavy-Duty & Metallurgy Hydraulic Cylinders (25 MPa)
・US Series Servo Cylinders with Integrated Magnetostrictive Sensors
・UB Series Rack & Pinion Rotary Hydraulic Cylinders
・UX Series High-Pressure Multi-Passage Rotary Joints
・UP Series Hydraulic Power Units
・UF Series Synchronous Distributor Hydraulic Cylinder
・UE Electro-hydraulic cylinders
UG Medium and High-Pressure Series Engineering and General Machinery Equipment Hydraulic Cylinders

UG…C…oil-free lubricated bushing earring type, UG…G…joint bearing (GE..ES type) earring type
Cylinder diameter |
Rod diameter |
∅1 |
∅2 |
∅7 |
L1 |
L2 |
L3 |
L4 |
L5 |
L6 |
L7 |
L9 |
L16 |
R |
B |
B1 |
H |
M |
M2 |
Rod end earring |
|||||
Dimensions |
Bearing hole tolerance |
Non-cushion |
Cushion Y |
CR |
QR |
CH |
QH |
||||||||||||||||||
40 |
20 |
20 |
0-0.010 |
58 |
25 |
200 |
16 |
25 |
70 |
59 |
30 |
10 |
30 |
190 |
50 |
25 |
16 |
12 |
M18×1.5 |
M14×1.5 |
40-1 |
||||
22 |
28 |
M16×1.5 |
-2 |
||||||||||||||||||||||
28 |
35 |
M22×1.5 |
-3 |
||||||||||||||||||||||
50 |
25 |
30 |
70 |
28 |
205 |
18 |
30 |
58 |
35 |
40 |
195 |
60 |
35 |
22 |
M20×1.5 |
50-1 |
|||||||||
28 |
35 |
M22×1.5 |
-2 |
||||||||||||||||||||||
36 |
42 |
M27×2 |
-3 |
||||||||||||||||||||||
63 |
32 |
83 |
35 |
245 |
20 |
35 |
73 |
76 |
40 |
15 |
235 |
65 |
15 |
M22×1.5 |
M24×1.5 |
63-1 |
|||||||||
36 |
42 |
M27×2 |
-2 |
||||||||||||||||||||||
45 |
45 |
M33×2 |
-3 |
||||||||||||||||||||||
80 |
40 |
40 |
0-0.012 |
108 |
42 |
260 |
45 |
75 |
45 |
18 |
55 |
255 |
105 |
45 |
28 |
M30×2 |
80-1 |
||||||||
45 |
48 |
M33×2 |
-2 |
||||||||||||||||||||||
56 |
60 |
M42×2 |
-3 |
||||||||||||||||||||||
90 |
45 |
114 |
48 |
78 |
110 |
M33×2 |
90-1 |
||||||||||||||||||
50 |
52 |
M36×2 |
-2 |
||||||||||||||||||||||
63 |
68 |
M48×2 |
-3 |
||||||||||||||||||||||
100 |
50 |
50 |
127 |
52 |
300 |
50 |
89 |
85 |
55 |
70 |
295 |
130 |
60 |
35 |
20 |
M27×2 |
M36×2 |
100-1 |
|||||||
56 |
60 |
M42×2 |
-2 |
||||||||||||||||||||||
70 |
72 |
M52×2 |
-3 |
||||||||||||||||||||||
110 |
56 |
140 |
60 |
305 |
55 |
90 |
90 |
300 |
135 |
M42×2 |
110-1 |
||||||||||||||
63 |
68 |
M48×2 |
-2 |
||||||||||||||||||||||
80 |
80 |
M60×2 |
-3 |
||||||||||||||||||||||
125 |
63 |
152 |
68 |
315 |
60 |
104 |
87 |
310 |
140 |
M48×2 |
125-1 |
||||||||||||||
70 |
72 |
M52×2 |
-2 |
||||||||||||||||||||||
90 |
90 |
M68×2 |
-3 |
||||||||||||||||||||||
140 |
70 |
60 |
0-0.015 |
168 |
72 |
345 |
65 |
114 |
105 |
65 |
80 |
340 |
155 |
70 |
44 |
M33×2 |
M52×2 |
145-1 |
|||||||
80 |
80 |
M60×2 |
-2 |
||||||||||||||||||||||
100 |
100 |
M76×3 |
-3 |
||||||||||||||||||||||
150 |
75 |
180 |
76 |
350 |
70 |
119 |
110 |
345 |
157 |
M56×2 |
150-1 |
||||||||||||||
85 |
85 |
M64×2 |
-2 |
||||||||||||||||||||||
105 |
105 |
M80×3 |
-3 |
||||||||||||||||||||||
160 |
80 |
194 |
80 |
355 |
75 |
124 |
115 |
350 |
160 |
M60×2 |
160-1 |
||||||||||||||
90 |
90 |
M68×2 |
-2 |
||||||||||||||||||||||
110 |
110 |
M85×3 |
-3 |
||||||||||||||||||||||
180 |
90 |
70 |
219 |
90 |
410 |
25 |
85 |
129 |
122 |
75 |
22 |
90 |
400 |
180 |
80 |
49 |
M42×2 |
M68×2 |
180-1 |
||||||
100 |
100 |
M76×3 |
-2 |
||||||||||||||||||||||
125 |
120 |
M95×3 |
-3 |
||||||||||||||||||||||
200 |
100 |
80 |
245 |
100 |
430 |
95 |
141 |
127 |
85 |
100 |
420 |
200 |
90 |
55 |
M76×3 |
200-1 |
|||||||||
110 |
110 |
M85×3 |
-2 |
||||||||||||||||||||||
140 |
125 |
M100×3 |
-3 |
||||||||||||||||||||||
220 |
110 |
90 |
0-0.020 |
272 |
110 |
465 |
105 |
146 |
143 |
90 |
110 |
455 |
225 |
100 |
60 |
25 |
M48×2 |
M85×3 |
220-1 |
||||||
125 |
120 |
M95×3 |
-2 |
||||||||||||||||||||||
160 |
140 |
M125×3 |
-3 |
||||||||||||||||||||||
250 |
125 |
100 |
299 |
120 |
485 |
115 |
155 |
100 |
120 |
475 |
245 |
110 |
70 |
M95×3 |
250-1 |
||||||||||
140 |
125 |
M100×3 |
-2 |
||||||||||||||||||||||
180 |
160 |
M145×3 |
-3 |
||||||||||||||||||||||

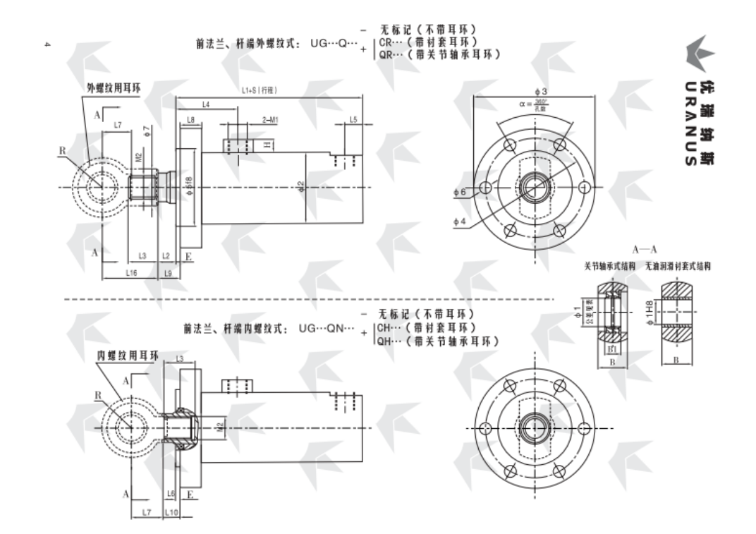
UG…Q front flange type
Cylinder diameter |
Rod diameter |
∅1 |
∅2 |
∅3 |
∅4 |
∅5 f8 |
∅6 |
∅7 |
L1 |
L2 |
L3 |
L4 |
L5 |
L6 |
L7 |
L8 |
L9 |
L10 |
L16 |
E |
R |
B |
B1 |
H |
M1 |
M2 |
Rod end earring |
|||||
Dimensions |
Bearing hole tolerance |
Non-cushion |
Cushion Y |
CR |
QR |
CH |
QH |
|||||||||||||||||||||||||
40 |
20 |
20 |
0-0.010 |
58 |
104 |
84 |
64 |
6 holes ∅ 11 |
25 |
167 |
16 |
25 |
70 |
59 |
17 |
10 |
30 |
20 |
21 |
15 |
50 |
5 |
25 |
16 |
12 |
M18×1.5 |
M14×1.5 |
40-1 |
||||
22 |
28 |
M16×1.5 |
-2 |
|||||||||||||||||||||||||||||
28 |
35 |
M22×1.5 |
-3 |
|||||||||||||||||||||||||||||
50 |
25 |
30 |
70 |
120 |
98 |
76 |
28 |
170 |
18 |
30 |
58 |
20 |
40 |
23 |
60 |
35 |
22 |
M20×1.5 |
50-1 |
|||||||||||||
28 |
35 |
M22×1.5 |
-2 |
|||||||||||||||||||||||||||||
36 |
42 |
M27×2 |
-3 |
|||||||||||||||||||||||||||||
63 |
32 |
83 |
140 |
115 |
90 |
6 holes ∅ 13 |
35 |
200 |
20 |
35 |
73 |
76 |
15 |
25 |
25 |
20 |
65 |
15 |
M22×1.5 |
M24×1.5 |
63-1 |
|||||||||||
36 |
42 |
M27×2 |
-2 |
|||||||||||||||||||||||||||||
45 |
45 |
M33×2 |
-3 |
|||||||||||||||||||||||||||||
80 |
40 |
40 |
0-0.012 |
108 |
175 |
145 |
115 |
8 holes ∅ 13.5 |
42 |
217 |
|
75 |
25 |
18 |
55 |
23 |
105 |
45 |
28 |
M30×2 |
80-1 |
|||||||||||
45 |
48 |
M33×2 |
-2 |
|||||||||||||||||||||||||||||
56 |
60 |
M42×2 |
-3 |
|||||||||||||||||||||||||||||
90 |
45 |
114 |
190 |
160 |
130 |
8 holes ∅ 15.5 |
48 |
|
78 |
110 |
M33×2 |
90-1 |
||||||||||||||||||||
50 |
52 |
M36×2 |
-2 |
|||||||||||||||||||||||||||||
63 |
68 |
M48×2 |
-3 |
|||||||||||||||||||||||||||||
100 |
50 |
50 |
127 |
210 |
180 |
145 |
8 holes ∅ 18 |
52 |
252 |
50 |
89 |
85 |
30 |
70 |
30 |
130 |
60 |
35 |
20 |
M27×2 |
M36×2 |
100-1 |
||||||||||
56 |
60 |
M42×2 |
-2 |
|||||||||||||||||||||||||||||
70 |
72 |
M52×2 |
-3 |
|||||||||||||||||||||||||||||
110 |
56 |
140 |
225 |
195 |
160 |
60 |
257 |
55 |
90 |
90 |
135 |
M42×2 |
110-1 |
|||||||||||||||||||
63 |
68 |
M48×2 |
-2 |
|||||||||||||||||||||||||||||
80 |
80 |
M60×2 |
-3 |
|||||||||||||||||||||||||||||
125 |
63 |
152 |
240 |
210 |
175 |
10 holes ∅ 18 |
68 |
267 |
60 |
104 |
87 |
40 |
140 |
M48×2 |
125-1 |
|||||||||||||||||
70 |
72 |
M52×2 |
-2 |
|||||||||||||||||||||||||||||
90 |
90 |
M68×2 |
-3 |
|||||||||||||||||||||||||||||
140 |
70 |
60 |
0-0.015 |
168 |
260 |
225 |
190 |
10 holes ∅20 |
72 |
292 |
65 |
114 |
105 |
35 |
80 |
155 |
70 |
44 |
M33×2 |
M52×2 |
140-1 |
|||||||||||
80 |
80 |
M60×2 |
-2 |
|||||||||||||||||||||||||||||
100 |
100 |
M76×3 |
-3 |
|||||||||||||||||||||||||||||
150 |
75 |
180 |
285 |
245 |
205 |
10 holes ∅ 22 |
76 |
297 |
70 |
119 |
110 |
157 |
M56×2 |
150-1 |
||||||||||||||||||
85 |
85 |
M64×2 |
-2 |
|||||||||||||||||||||||||||||
105 |
105 |
M80×3 |
-3 |
|||||||||||||||||||||||||||||
160 |
80 |
194 |
300 |
260 |
220 |
80 |
302 |
75 |
124 |
115 |
50 |
30 |
28 |
160 |
10 |
M60×2 |
160-1 |
|||||||||||||||
90 |
90 |
M68×2 |
-2 |
|||||||||||||||||||||||||||||
110 |
110 |
M85×3 |
-3 |
|||||||||||||||||||||||||||||
180 |
90 |
70 |
219 |
325 |
285 |
245 |
10 holes ∅ 24 |
90 |
343 |
|
85 |
129 |
122 |
40 |
|
90 |
35 |
|
180 |
80 |
49 |
M42×2 |
M68×2 |
180-1 |
||||||||
100 |
100 |
M76×3 |
-2 |
|||||||||||||||||||||||||||||
125 |
120 |
M95×3 |
-3 |
|||||||||||||||||||||||||||||
200 |
100 |
80 |
245 |
365 |
320 |
275 |
10 holes ∅ 26 |
100 |
353 |
95 |
141 |
127 |
100 |
60 |
200 |
90 |
55 |
M76×3 |
200-1 |
|||||||||||||
110 |
110 |
M85×3 |
-2 |
|||||||||||||||||||||||||||||
140 |
125 |
M100×3 |
-3 |
|||||||||||||||||||||||||||||
220 |
110 |
90 |
0-0.020 |
272 |
405 |
355 |
305 |
10 holes ∅ 29 |
110 |
393 |
|
105 |
146 |
143 |
50 |
|
110 |
70 |
|
225 |
100 |
60 |
25 |
M48×2 |
M85×3 |
220-1 |
||||||
125 |
120 |
M95×3 |
-2 |
|||||||||||||||||||||||||||||
160 |
140 |
M125×3 |
-3 |
|||||||||||||||||||||||||||||
250 |
125 |
100 |
299 |
450 |
390 |
330 |
12 holes ∅ 32 |
120 |
403 |
115 |
155 |
120 |
245 |
110 |
70 |
M95×3 |
250-1 |
|||||||||||||||
140 |
125 |
M100×3 |
-2 |
|||||||||||||||||||||||||||||
180 |
160 |
M145×3 |
-3 |
|||||||||||||||||||||||||||||

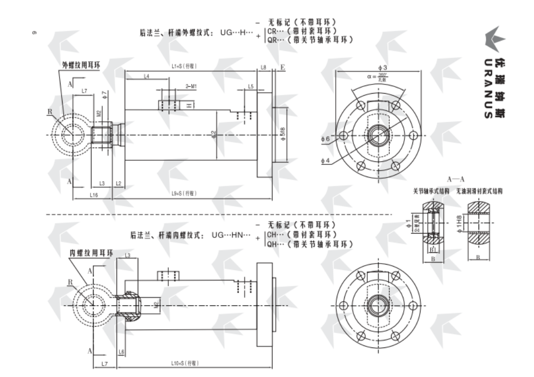
UG…H rear flange type
Cylinder diameter |
Rod diameter |
∅1 |
∅2 |
∅3 |
∅4 |
∅5 f8 |
∅6 |
∅7 |
L1 |
L2 |
L3 |
L4 |
L5 |
L6 |
L7 |
L8 |
L9 |
L10 |
L16 |
E |
R |
B |
B1 |
H |
M1 |
M2 |
Rod end earring |
|||||
Dimensions |
Bearing hole tolerance |
Non-cushion |
Cushion Y |
CR |
QR |
CH |
QH |
|||||||||||||||||||||||||
40 |
20 |
20 |
0-0.010 |
58 |
104 |
84 |
64 |
6 holes ∅ 11 |
25 |
167 |
16 |
25 |
70 |
59 |
17 |
10 |
30 |
20 |
203 |
197 |
50 |
5 |
25 |
16 |
12 |
M18×1.5 |
M14×1.5 |
40-1 |
||||
22 |
28 |
M16×1.5 |
-2 |
|||||||||||||||||||||||||||||
28 |
35 |
M22×1.5 |
-3 |
|||||||||||||||||||||||||||||
50 |
25 |
30 |
70 |
120 |
98 |
76 |
28 |
170 |
18 |
30 |
58 |
20 |
40 |
208 |
200 |
60 |
35 |
22 |
M20×1.5 |
50-1 |
||||||||||||
28 |
35 |
M22×1.5 |
-2 |
|||||||||||||||||||||||||||||
36 |
42 |
M27×2 |
-3 |
|||||||||||||||||||||||||||||
63 |
32 |
83 |
140 |
115 |
90 |
6 holes ∅ 13 |
35 |
200 |
20 |
35 |
73 |
76 |
15 |
25 |
245 |
240 |
65 |
15 |
M22×1.5 |
M24×1.5 |
63-1 |
|||||||||||
36 |
42 |
M27×2 |
-2 |
|||||||||||||||||||||||||||||
45 |
45 |
M33×2 |
-3 |
|||||||||||||||||||||||||||||
80 |
40 |
40 |
0-0.012 |
108 |
175 |
145 |
115 |
8 holes ∅ 13.5 |
42 |
217 |
45 |
75 |
25 |
18 |
55 |
262 |
260 |
105 |
45 |
28 |
M30×2 |
80-1 |
||||||||||
45 |
48 |
M33×2 |
-2 |
|||||||||||||||||||||||||||||
56 |
60 |
M42×2 |
-3 |
|||||||||||||||||||||||||||||
90 |
45 |
114 |
190 |
160 |
130 |
8 holes ∅ 15.5 |
48 |
78 |
110 |
M33×2 |
90-1 |
|||||||||||||||||||||
50 |
52 |
M36×2 |
-2 |
|||||||||||||||||||||||||||||
63 |
68 |
M48×2 |
-3 |
|||||||||||||||||||||||||||||
100 |
50 |
50 |
127 |
210 |
180 |
145 |
8 holes ∅ 18 |
52 |
252 |
50 |
89 |
85 |
30 |
70 |
30 |
302 |
300 |
130 |
60 |
35 |
20 |
M27×2 |
M36×2 |
100-1 |
||||||||
56 |
60 |
M42×2 |
-2 |
|||||||||||||||||||||||||||||
70 |
72 |
M52×2 |
-3 |
|||||||||||||||||||||||||||||
110 |
56 |
140 |
225 |
195 |
160 |
60 |
257 |
55 |
90 |
90 |
307 |
305 |
135 |
M42×2 |
110-1 |
|||||||||||||||||
63 |
M48×2 |
-2 |
||||||||||||||||||||||||||||||
80 |
80 |
M60×2 |
-3 |
|||||||||||||||||||||||||||||
125 |
63 |
152 |
240 |
210 |
175 |
10 holes ∅ 18 |
68 |
267 |
60 |
104 |
87 |
40 |
327 |
325 |
140 |
M48×2 |
125-1 |
|||||||||||||||
70 |
72 |
M52×2 |
-2 |
|||||||||||||||||||||||||||||
90 |
90 |
M68×2 |
-3 |
|||||||||||||||||||||||||||||
140 |
70 |
60 |
0-0.015 |
168 |
260 |
225 |
190 |
10 holes ∅ 20 |
72 |
292 |
65 |
114 |
105 |
35 |
80 |
352 |
350 |
155 |
70 |
44 |
M33×2 |
M52×2 |
140-1 |
|||||||||
80 |
80 |
M60×2 |
-2 |
|||||||||||||||||||||||||||||
100 |
100 |
M76×3 |
-3 |
|||||||||||||||||||||||||||||
150 |
75 |
180 |
285 |
245 |
205 |
10 holes ∅ 22 |
76 |
297 |
70 |
119 |
110 |
357 |
355 |
157 |
M56×2 |
150-1 |
||||||||||||||||
85 |
85 |
M64×2 |
-2 |
|||||||||||||||||||||||||||||
105 |
105 |
M80×3 |
-3 |
|||||||||||||||||||||||||||||
160 |
80 |
194 |
300 |
260 |
220 |
80 |
302 |
75 |
124 |
115 |
50 |
372 |
370 |
160 |
10 |
M60×2 |
160-1 |
|||||||||||||||
90 |
90 |
M68×2 |
-2 |
|||||||||||||||||||||||||||||
110 |
110 |
M85×3 |
-3 |
|||||||||||||||||||||||||||||
180 |
90 |
70 |
219 |
325 |
285 |
245 |
10 holes ∅ 24 |
90 |
343 |
25 |
85 |
129 |
122 |
40 |
22 |
90 |
418 |
415 |
180 |
80 |
49 |
M42×2 |
M68×2 |
180-1 |
||||||||
100 |
100 |
M76×3 |
-2 |
|||||||||||||||||||||||||||||
125 |
120 |
M95×3 |
-3 |
|||||||||||||||||||||||||||||
200 |
100 |
80 |
245 |
365 |
320 |
275 |
10 holes ∅ 26 |
100 |
353 |
95 |
141 |
127 |
100 |
60 |
438 |
435 |
200 |
90 |
55 |
M76×3 |
200-1 |
|||||||||||
110 |
110 |
M85×3 |
-2 |
|||||||||||||||||||||||||||||
140 |
125 |
M100×3 |
-3 |
|||||||||||||||||||||||||||||
220 |
110 |
90 |
0-0.020 |
272 |
405 |
355 |
305 |
10 holes ∅ 29 |
110 |
393 |
105 |
146 |
143 |
50 |
110 |
70 |
488 |
485 |
225 |
100 |
60 |
25 |
M48×2 |
M85×3 |
220-1 |
|||||||
125 |
120 140 |
M95×3 |
-2 |
|||||||||||||||||||||||||||||
160 |
M125×3 |
-3 |
||||||||||||||||||||||||||||||
250 |
125 |
100 |
299 |
450 |
390 |
330 |
12 holes ∅ 32 |
120 |
403 |
115 |
155 |
120 |
498 |
495 |
245 |
110 |
70 |
M95×3 |
250-1 |
|||||||||||||
140 |
125 |
M100×3 |
-2 |
|||||||||||||||||||||||||||||
180 |
160 |
M145×3 |
-3 |
|||||||||||||||||||||||||||||

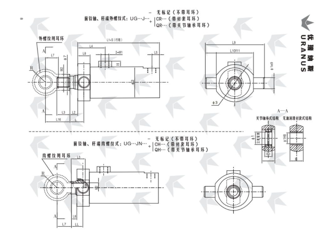
UG…J front hinge shaft type
Cylinder diameter |
Rod diameter |
∅1 |
∅2 |
∅3 |
∅7 |
L (LL) |
L1 |
L2 |
L3 |
L4 |
L5 |
L6 |
L7 |
L8 |
L9 |
L10 (f11) |
L16 |
R |
B |
B1 |
H |
M1 |
M2 |
Rod end earring |
|||||
Dimensions |
Bearing hole tolerance |
Non-cushion |
Cushion Y |
CR |
QR |
CH |
QH |
||||||||||||||||||||||
40 |
20 |
20 |
0-0.010 |
58 |
70 |
25 |
30 (24) |
167 |
16 |
25 |
70 |
59 |
17 |
10 |
30 |
28 |
110 |
70 |
50 |
25 |
16 |
12 |
M18×1.5 |
M14×1.5 |
40-1 |
||||
22 |
28 |
M16×1.5 |
-2 |
||||||||||||||||||||||||||
28 |
35 |
M22×1.5 |
-3 |
||||||||||||||||||||||||||
50 |
25 |
30 |
70 |
80 |
28 |
35 (27) |
170 |
18 |
30 |
58 |
20 |
40 |
34 |
130 |
80 |
60 |
35 |
22 |
M20×1.5 |
50-1 |
|||||||||
28 |
35 |
M22×1.5 |
-2 |
||||||||||||||||||||||||||
36 |
42 |
M27×2 |
-3 |
||||||||||||||||||||||||||
63 |
32 |
83 |
100 |
35 |
37 (32) |
200 |
20 |
35 |
73 |
76 |
15 |
155 |
100 |
65 |
J5 |
M22×1.5 |
M24×1.5 |
63-1 |
|||||||||||
36 |
42 |
M27×2 |
-2 |
||||||||||||||||||||||||||
45 |
45 |
M33×2 |
-3 |
||||||||||||||||||||||||||
80 |
40 |
40 |
0-0.012 |
108 |
120 |
42 |
42 (40) |
217 |
45 |
75 |
25 |
18 |
55 |
44 |
185 |
125 |
105 |
45 |
28 |
M30×2 |
80-1 |
||||||||
45 |
48 |
M33×2 |
-2 |
||||||||||||||||||||||||||
56 |
60 |
M42×2 |
-3 |
||||||||||||||||||||||||||
90 |
45 |
114 |
135 |
48 |
78 |
200 |
140 |
110 |
M33×2 |
90-1 |
|||||||||||||||||||
50 |
52 |
M36×2 |
-2 |
||||||||||||||||||||||||||
63 |
68 |
M48×2 |
-3 |
||||||||||||||||||||||||||
100 |
50 |
50 |
127 |
150 |
52 |
47 (45) |
252 |
50 |
89 |
85 |
30 |
70 |
54 |
230 |
155 |
130 |
60 |
35 |
20 |
M27×2 |
M36×2 |
100-1 |
|||||||
56 |
60 |
M42×2 |
-2 |
||||||||||||||||||||||||||
70 |
72 |
M52×2 |
-3 |
||||||||||||||||||||||||||
110 |
56 |
140 |
165 |
60 |
257 |
55 |
90 |
90 |
245 |
170 |
135 |
M42×2 |
110-1 |
||||||||||||||||
63 |
68 |
M48×2 |
-2 |
||||||||||||||||||||||||||
80 |
80 |
M60×2 |
-3 |
||||||||||||||||||||||||||
125 |
63 |
152 |
185 |
68 |
267 |
60 |
104 |
87 |
35 |
260 |
185 |
140 |
M48×2 |
125-1 |
|||||||||||||||
70 |
72 |
M52×2 |
-2 |
||||||||||||||||||||||||||
90 |
90 |
M68×2 |
-3 |
||||||||||||||||||||||||||
140 |
70 |
60 |
0-0.015 |
168 |
210 |
72 |
52 (50) |
292 |
65 |
114 |
105 |
80 |
64 |
290 |
200 |
155 |
70 |
44 |
M33×2 |
M52×2 |
145-1 |
||||||||
80 |
80 |
M60×2 |
-2 |
||||||||||||||||||||||||||
100 |
100 |
M76×3 |
-3 |
||||||||||||||||||||||||||
150 |
75 |
180 |
222 |
76 |
297 |
70 |
119 |
110 |
305 |
215 |
157 |
M56×2 |
150-1 |
||||||||||||||||
85 |
85 |
M64×2 |
-2 |
||||||||||||||||||||||||||
105 |
105 |
M80×3 |
-3 |
||||||||||||||||||||||||||
160 |
80 |
194 |
235 |
80 |
302 |
75 |
124 |
115 |
320 |
230 |
160 |
M60×2 |
160-1 |
||||||||||||||||
90 |
90 |
M68×2 |
-2 |
||||||||||||||||||||||||||
110 |
110 |
M85×3 |
-3 |
||||||||||||||||||||||||||
180 |
90 |
70 |
219 |
270 |
90 |
62 (59) |
343 |
25 |
85 |
129 |
122 |
40 |
22 |
90 |
74 |
360 |
255 |
180 |
80 |
49 |
M42×2 |
M68×2 |
180-1 |
||||||
100 |
100 |
M76×3 |
-2 |
||||||||||||||||||||||||||
125 |
120 |
M95×3 |
-3 |
||||||||||||||||||||||||||
200 |
100 |
80 |
245 |
295 |
100 |
67 (64) |
353 |
95 |
141 |
127 |
100 |
84 |
405 |
285 |
200 |
90 |
55 |
M76×3 |
200-1 |
||||||||||
110 |
110 |
M85×3 |
-2 |
||||||||||||||||||||||||||
140 |
125 |
M100×3 |
-3 |
||||||||||||||||||||||||||
220 |
110 |
90 |
0-0.020 |
272 |
330 |
110 |
72 (65) |
393 |
105 |
146 |
143 |
50 |
110 |
94 |
455 |
320 |
225 |
100 |
60 |
25 |
M48×2 |
M85×3 |
220-1 |
||||||
125 |
120 |
M95×3 |
-2 |
||||||||||||||||||||||||||
160 |
140 |
M125×3 |
-3 |
||||||||||||||||||||||||||
250 |
125 |
100 |
299 |
355 |
120 |
76 (73) |
403 |
115 |
155 |
120 |
102 |
500 |
350 |
245 |
110 |
70 |
M95×3 |
250-1 |
|||||||||||
140 |
125 |
M100×3 |
-2 |
||||||||||||||||||||||||||
180 |
160 |
M145×3 |
-3 |
||||||||||||||||||||||||||

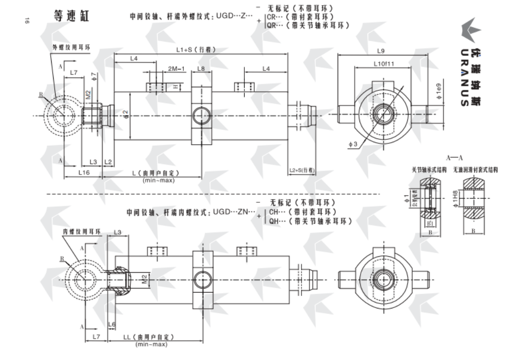
UG…Z intermediate hinge shaft type
Cylinder diameter |
Rod diameter |
∅1 |
∅2 |
∅3 |
∅7 |
L (LL) |
LI |
L2 |
L3 |
L4 |
L5 |
L6 |
L7 |
L8 |
L9 |
L10 (f11) |
L16 |
R |
B |
B1 |
H |
M1 |
M2 |
Rod end earring |
||||||
Dimensions |
Bearing hole tolerance |
min |
max |
Non-cushion |
Cushion Y |
CR |
QR |
CH |
QH |
|||||||||||||||||||||
40 |
20 |
20 |
0-0.010 |
58 |
70 |
25 |
124 (118) |
113+S (107+S) |
167 |
16 |
25 |
70 |
59 |
17 |
10 |
30 |
28 |
110 |
70 |
50 |
25 |
16 |
12 |
M18×1.5 |
M14×1.5 |
40-1 |
||||
22 |
28 |
M16×1.5 |
-2 |
|||||||||||||||||||||||||||
28 |
35 |
M22×1.5 |
-3 |
|||||||||||||||||||||||||||
50 |
25 |
30 |
70 |
80 |
28 |
129 (121) |
112+S (104+S) |
170 |
18 |
30 |
58 |
20 |
15 |
40 |
34 |
130 |
80 |
60 |
35 |
22 |
M20×1.5 |
50-1 |
||||||||
28 |
35 |
M22×1.5 |
-2 |
|||||||||||||||||||||||||||
36 |
42 |
M27×2 |
-3 |
|||||||||||||||||||||||||||
63 |
32 |
83 |
100 |
35 |
143 (138) |
132+S (127+S) |
200 |
20 |
35 |
73 |
76 |
155 |
100 |
65 |
15 |
M22×1.5 |
M24×1.5 |
63-1 |
||||||||||||
36 |
42 |
M27×2 |
-2 |
|||||||||||||||||||||||||||
45 |
45 |
M33×2 |
-3 |
|||||||||||||||||||||||||||
80 |
40 |
40 |
0-0.012 |
108 |
120 |
42 |
142 (140) |
121+S (139+S) |
217 |
75 |
25 |
18 |
55 |
44 |
185 |
125 |
105 |
45 |
28 |
|||||||||||
M30×2 |
80-1 |
|||||||||||||||||||||||||||||
45 |
48 |
45 |
M33×2 |
-2 |
||||||||||||||||||||||||||
56 |
60 |
M42×2 |
-3 |
|||||||||||||||||||||||||||
90 |
45 |
114 |
135 |
48 |
147 (145) |
78 |
200 |
140 |
110 |
M33×2 |
90-1 |
|||||||||||||||||||
50 |
52 |
M36×2 |
-2 |
|||||||||||||||||||||||||||
63 |
68 |
M48×2 |
-3 |
|||||||||||||||||||||||||||
100 |
50 |
50 |
127 |
150 |
52 |
168 (166) |
149+S (147+S) |
252 |
50 |
89 |
85 |
30 |
70 |
54 |
230 |
155 |
130 |
60 |
35 |
20 |
M27×2 |
M36×2 |
100-1 |
|||||||
56 |
60 |
M42×2 |
-2 |
|||||||||||||||||||||||||||
70 |
72 |
M52×2 |
-3 |
|||||||||||||||||||||||||||
110 |
56 |
140 |
165 |
60 |
169 (167) |
153+S (151+S) |
257 |
55 |
90 |
90 |
245 |
170 |
135 |
M42×2 |
110-1 |
|||||||||||||||
63 |
68 |
M48 × 2 |
-2 |
|||||||||||||||||||||||||||
80 |
80 |
M60×2 |
-3 |
|||||||||||||||||||||||||||
125 |
63 |
152 |
185 |
68 |
183 (181) |
158+S (156+S) |
267 |
60 |
104 |
87 |
260 |
185 |
140 |
M48×2 |
125-1 |
|||||||||||||||
70 |
72 |
M52×2 |
-2 |
|||||||||||||||||||||||||||
90 |
90 |
M68×2 |
-3 |
|||||||||||||||||||||||||||
140 |
70 |
60 |
0-0.015 |
168 |
210 |
72 |
203 (201) |
175+S (173+S) |
292 |
65 |
114 |
105 |
35 |
80 |
64 |
290 |
200 |
155 |
70 |
44 |
M33×2 |
M52×2 |
140-1 |
|||||||
80 |
80 |
M60×2 |
-2 |
|||||||||||||||||||||||||||
100 |
100 |
M76×3 |
-3 |
|||||||||||||||||||||||||||
150 |
75 |
180 |
222 |
76 |
208 (206) |
177+S (175+S) |
297 |
70 |
119 |
110 |
305 |
215 |
157 |
M56×2 |
150-1 |
|||||||||||||||
85 |
85 |
M64×2 |
-2 |
|||||||||||||||||||||||||||
105 |
105 |
M80×3 |
-3 |
|||||||||||||||||||||||||||
160 |
80 |
194 |
235 |
80 |
213 (211) |
182+S (180+S) |
302 |
75 |
124 |
115 |
320 |
230 |
160 |
M60×2 |
160-1 |
|||||||||||||||
90 |
90 |
M68×2 |
-2 |
|||||||||||||||||||||||||||
110 |
110 |
M85×3 |
-3 |
|||||||||||||||||||||||||||
180 |
90 |
70 |
219 |
270 |
90 |
233 (230) |
205+S (202+S) |
343 |
25 |
85 |
129 |
122 |
40 |
22 |
90 |
74 |
360 |
255 |
180 |
80 |
49 |
M42×2 |
M68×2 |
180-1 |
||||||
100 |
100 |
M76×3 |
-2 |
|||||||||||||||||||||||||||
125 |
120 |
M95×3 |
-3 |
|||||||||||||||||||||||||||
200 |
100 |
80 |
245 |
295 |
100 |
250 (247) |
208+S (205+S) |
353 |
95 |
141 |
127 |
100 |
84 |
405 |
285 |
200 |
90 |
55 |
M76×3 |
200-1 |
||||||||||
110 |
110 |
M85×3 |
-2 |
|||||||||||||||||||||||||||
140 |
125 |
M100×3 |
-3 |
|||||||||||||||||||||||||||
220 |
110 |
90 |
0-0.020 |
272 |
330 |
110 |
262 (259) |
225+S (222+S) |
393 |
105 |
146 |
143 |
50 |
110 |
94 |
455 |
320 |
225 |
100 |
60 |
25 |
M48×2 |
M85×3 |
220-1 |
||||||
125 |
120 |
M95×3 |
-2 |
|||||||||||||||||||||||||||
160 |
140 |
M125×3 |
-3 |
|||||||||||||||||||||||||||
250 |
125 |
100 |
299 |
335 |
120 |
275 (272) |
226+S (223+S) |
403 |
115 |
155 |
120 |
102 |
500 |
350 |
245 |
110 |
70 |
M95×3 |
250-1 |
|||||||||||
140 |
125 |
M100×3 |
-2 |
|||||||||||||||||||||||||||
180 |
160 |
M145×3 |
-3 |
|||||||||||||||||||||||||||

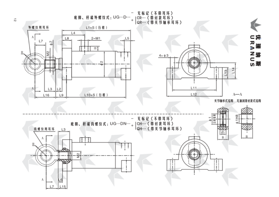
UG…D foot type
Cylinder diameter |
Rod diameter |
∅1 |
∅2 |
∅3 |
∅7 |
L1 |
L2 |
L3 |
L4 |
L5 |
L6 |
L7 |
L8 |
L9 |
L10 |
L11 |
L12 |
L13 |
L14 |
L15 |
L16 |
R |
B |
B1 |
H |
M1 |
M2 |
Rod end earring |
|||||
Dimensions |
Bearing hole tolerance |
Non-cushion |
Cushion Y |
CR |
QR |
CH |
QH |
||||||||||||||||||||||||||
40 |
20 |
20 |
0-0.010 |
58 |
11 |
25 |
167 |
16 |
25 |
70 |
59 |
17 |
10 |
30 |
25 |
28.5 |
142 |
105 |
130 |
25 |
40 |
22.5 |
50 |
25 |
16 |
12 |
M18×1.5 |
M14×1.5 |
40-1 |
||||
22 |
28 |
M16×1.5 |
-2 |
||||||||||||||||||||||||||||||
28 |
35 |
M22×1.5 |
-3 |
||||||||||||||||||||||||||||||
50 |
25 |
30 |
70 |
28 |
170 |
18 |
30 |
58 |
20 |
40 |
30.5 |
145 |
120 |
150 |
30 |
45 |
22.5 |
60 |
35 |
22 |
M20×1.5 |
50-1 |
|||||||||||
28 |
35 |
M22×1.5 |
-2 |
||||||||||||||||||||||||||||||
36 |
42 |
M27×2 |
-3 |
||||||||||||||||||||||||||||||
63 |
32 |
83 |
13 |
35 |
200 |
20 |
35 |
73 |
76 |
15 |
30 |
35 |
170 |
140 |
175 |
35 |
50 |
30 |
65 |
15 |
M22×1.5 |
M24×1.5 |
63-1 |
||||||||||
36 |
42 |
M27×2 |
-2 |
||||||||||||||||||||||||||||||
45 |
45 |
M33×2 |
-3 |
||||||||||||||||||||||||||||||
80 |
40 |
40 |
0-0.012 |
108 |
17 |
42 |
217 |
45 |
75 |
25 |
18 |
55 |
40 |
40 |
177 |
160 |
200 |
40 |
60 |
38 |
105 |
45 |
28 |
M30×2 |
80-1 |
||||||||
45 |
48 |
M33×2 |
-2 |
||||||||||||||||||||||||||||||
56 |
60 |
M42×2 |
-3 |
||||||||||||||||||||||||||||||
90 |
45 |
114 |
48 |
78 |
185 |
230 |
45 |
70 |
110 |
M33×2 |
90-1 |
||||||||||||||||||||||
50 |
52 |
M36×2 |
-2 |
||||||||||||||||||||||||||||||
63 |
68 |
M48×2 |
-3 |
||||||||||||||||||||||||||||||
100 |
50 |
50 |
127 |
21 |
52 |
252 |
50 |
89 |
85 |
30 |
70 |
45 |
42.5 |
207 |
205 |
255 |
50 |
80 |
40.5 |
130 |
60 |
35 |
20 |
M27×2 |
M36×2 |
100-1 |
|||||||
56 |
60 |
M42×2 |
-2 |
||||||||||||||||||||||||||||||
70 |
72 |
M52×2 |
-3 |
||||||||||||||||||||||||||||||
110 |
56 |
140 |
60 |
257 |
55 |
90 |
90 |
212 |
230 |
280 |
55 |
90 |
135 |
M42×2 |
110-1 |
||||||||||||||||||
63 |
68 |
M48×2 |
-2 |
||||||||||||||||||||||||||||||
80 |
80 |
M60×2 |
-3 |
||||||||||||||||||||||||||||||
125 |
63 |
152 |
25 |
68 |
267 |
60 |
104 |
87 |
55 |
47$ |
255 |
310 |
60 |
100 |
45.5 |
140 |
M48×2 |
125-1 |
|||||||||||||||
70 |
72 |
M52×2 |
-2 |
||||||||||||||||||||||||||||||
90 |
90 |
M68×2 |
-3 |
||||||||||||||||||||||||||||||
140 |
70 |
60 |
0-0.015 |
168 |
72 |
292 |
65 |
114 |
105 |
35 |
80 |
237 |
280 |
340 |
65 |
115 |
155 |
70 |
44 |
M33×2 |
M52×2 |
145-1 |
|||||||||||
80 |
80 |
M60×2 |
-2 |
||||||||||||||||||||||||||||||
100 |
100 |
M76×3 |
-3 |
||||||||||||||||||||||||||||||
150 |
75 |
180 |
76 |
297 |
70 |
119 |
110 |
60 |
50 |
295 |
355 |
67 |
120 |
48 |
157 |
M56×2 |
150-1 |
||||||||||||||||
85 |
85 |
M64×2 |
-2 |
||||||||||||||||||||||||||||||
105 |
105 |
M80×3 |
-3 |
||||||||||||||||||||||||||||||
160 |
80 |
194 |
31 |
80 |
302 |
75 |
124 |
115 |
65 |
52.5 |
310 |
375 |
70 |
130 |
50.5 |
160 |
M60×2 |
160-1 |
|||||||||||||||
90 |
90 |
M68×2 |
-2 |
||||||||||||||||||||||||||||||
110 |
110 |
M85×3 |
-3 |
||||||||||||||||||||||||||||||
180 |
90 |
70 |
219 |
90 |
343 |
25 |
85 |
129 |
122 |
40 |
22 |
90 |
70 |
60 |
273 |
345 |
415 |
75 |
145 |
57 |
180 |
80 |
49 |
M42×2 |
M68×2 |
180-1 |
|||||||
100 |
100 |
M76×3 |
-2 |
||||||||||||||||||||||||||||||
125 |
120 |
M95×3 |
-3 |
||||||||||||||||||||||||||||||
200 |
100 |
80 |
245 |
100 |
353 |
95 |
141 |
127 |
100 |
283 |
385 |
465 |
80 |
165 |
200 |
90 |
55 |
M76×3 |
200-1 |
||||||||||||||
110 |
110 |
M85×3 |
-2 |
||||||||||||||||||||||||||||||
140 |
125 |
M100×3 |
-3 |
||||||||||||||||||||||||||||||
220 |
110 |
90 |
0-0.020 |
272 |
37 |
110 |
393 |
105 |
146 |
143 |
50 |
110 |
87 |
68.5 |
306 |
435 |
525 |
90 |
185 |
65.5 |
225 |
100 |
60 |
25 |
M48×2 |
M85×3 |
220-1 |
||||||
125 |
120 |
M95×3 |
-2 |
||||||||||||||||||||||||||||||
160 |
140 |
M125×3 |
-3 |
||||||||||||||||||||||||||||||
250 |
125 |
100 |
299 |
45 |
120 |
403 |
115 |
155 |
120 |
92 |
71 |
311 |
495 |
595 |
100 |
205 |
68 |
245 |
110 |
70 |
M95×3 |
250-1 |
|||||||||||
140 |
125 |
M100×3 |
-2 |
||||||||||||||||||||||||||||||
180 |
160 |
M145×3 |
-3 |
||||||||||||||||||||||||||||||

UGD…D front flange type constant velocity cylinder
Cylinder diameter |
Rod diameter |
∅1 |
∅2 |
∅3 |
∅4 |
∅5 f8 |
∅6 |
∅7 |
L1 |
L2 |
L3 |
L4 |
L5 |
L6 |
L7 |
L8 |
L9 |
L10 |
L16 |
E |
R |
B |
B1 |
H |
M1 |
M2 |
Rod end earring |
|||||
Dimensions |
Bearing hole tolerance |
Non-cushion |
Cushion Y |
CR |
QR |
CH |
QH |
|||||||||||||||||||||||||
40 |
20 |
20 |
0-0.010 |
58 |
104 |
84 |
64 |
6 holes ∅ 11 |
25 |
192 |
16 |
25 |
70 |
59 |
17 |
10 |
30 |
20 |
21 |
15 |
50 |
5 |
25 |
16 |
12 |
M18×1.5 |
M14× 1.5 |
40-1 |
||||
22 |
28 |
M16×1.5 |
-2 |
|||||||||||||||||||||||||||||
28 |
35 |
M22× 1.5 |
-3 |
|||||||||||||||||||||||||||||
50 |
25 |
30 |
70 |
120 |
98 |
76 |
28 |
192 |
18 |
30 |
58 |
20 |
40 |
23 |
60 |
35 |
22 |
M20× 1.5 |
50-1 |
|||||||||||||
28 |
35 |
M22×1.5 |
-2 |
|||||||||||||||||||||||||||||
36 |
42 |
M27×2 |
-3 |
|||||||||||||||||||||||||||||
63 |
32 |
83 |
140 |
115 |
90 |
6 holes ∅ 13 |
35 |
232 |
20 |
35 |
73 |
76 |
15 |
25 |
25 |
20 |
65 |
15 |
M22×1.5 |
M24×1.5 |
63-1 |
|||||||||||
36 |
42 |
M27×2 |
-2 |
|||||||||||||||||||||||||||||
45 |
45 |
M33×2 |
-3 |
|||||||||||||||||||||||||||||
80 |
40 |
40 |
0-0.012 |
108 |
175 |
145 |
115 |
8 holes ∅ 13.5 |
42 |
245 |
45 |
75 |
25 |
18 |
55 |
23 |
105 |
45 |
28 |
M30×2 |
80-1 |
|||||||||||
45 |
48 |
M33×2 |
-2 |
|||||||||||||||||||||||||||||
56 |
60 |
M42×2 |
-3 |
|||||||||||||||||||||||||||||
90 |
45 |
114 |
190 |
160 |
130 |
8 holes ∅ 15.5 |
48 |
78 |
110 |
M33×2 |
90-1 |
|||||||||||||||||||||
50 |
52 |
M36×2 |
-2 |
|||||||||||||||||||||||||||||
63 |
68 |
M48×2 |
-3 |
|||||||||||||||||||||||||||||
100 |
50 |
50 |
127 |
210 |
180 |
145 |
8 holes ∅ 18 |
52 |
275 |
50 |
89 |
85 |
30 |
70 |
30 |
130 |
60 |
35 |
20 |
M27×2 |
M36×2 |
100-1 |
||||||||||
56 |
60 |
M42×2 |
-2 |
|||||||||||||||||||||||||||||
70 |
72 |
M52×2 |
-3 |
|||||||||||||||||||||||||||||
110 |
56 |
140 |
225 |
195 |
160 |
60 |
285 |
55 |
90 |
90 |
135 |
M42×2 |
110-1 |
|||||||||||||||||||
63 |
68 |
M48×2 |
-2 |
|||||||||||||||||||||||||||||
80 |
80 |
M60×2 |
-3 |
|||||||||||||||||||||||||||||
125 |
63 |
152 |
240 |
210 |
175 |
10 holes ∅ 18 |
68 |
298 |
60 |
104 |
87 |
40 |
140 |
M48×2 |
125-1 |
|||||||||||||||||
70 |
72 |
M52×2 |
-2 |
|||||||||||||||||||||||||||||
90 |
90 |
M68×2 |
-3 |
|||||||||||||||||||||||||||||
140 |
70 |
60 |
0-0.015 |
168 |
260 |
225 |
190 |
10 holes ∅ 20 |
72 |
328 |
65 |
114 |
105 |
35 |
80 |
155 |
70 |
44 |
M33×2 |
M52×2 |
140-1 |
|||||||||||
80 |
80 |
M60×2 |
-2 |
|||||||||||||||||||||||||||||
100 |
100 |
M76×3 |
-3 |
|||||||||||||||||||||||||||||
150 |
75 |
180 |
285 |
245 |
205 |
10 holes ∅ 22 |
76 |
333 |
70 |
119 |
110 |
157 |
M56×2 |
150-1 |
||||||||||||||||||
85 |
85 |
M64×2 |
-2 |
|||||||||||||||||||||||||||||
105 |
105 |
M80×3 |
-3 |
|||||||||||||||||||||||||||||
160 |
80 |
194 |
300 |
260 |
220 |
80 |
343 |
75 |
124 |
115 |
50 |
30 |
28 |
160 |
10 |
M60×2 |
160-1 |
|||||||||||||||
90 |
90 |
M68×2 |
-2 |
|||||||||||||||||||||||||||||
110 |
110 |
M85×3 |
-3 |
|||||||||||||||||||||||||||||
180 |
90 |
70 |
219 |
325 |
285 |
245 |
10 holes ∅ 24 |
90 |
376 |
|
85 |
129 |
122 |
40 |
|
90 |
35 |
32 |
180 |
80 |
49 |
M42×2 |
M68×2 |
180-1 |
||||||||
100 |
100 |
M76×3 |
-2 |
|||||||||||||||||||||||||||||
125 |
120 |
M95×3 |
-3 |
|||||||||||||||||||||||||||||
200 |
100 |
80 |
245 |
365 |
320 |
275 |
10 holes ∅ 26 |
100 |
396 |
95 |
141 |
127 |
100 |
60 |
200 |
90 |
55 |
M76×3 |
200-1 |
|||||||||||||
110 |
110 |
M85×3 |
-2 |
|||||||||||||||||||||||||||||
140 |
125 |
M100×3 |
-3 |
|||||||||||||||||||||||||||||
220 |
110 |
90 |
0-0.020 |
272 |
405 |
355 |
305 |
10 holes ∅ 29 |
110 |
436 |
|
105 |
146 |
143 |
50 |
|
110 |
70 |
225 |
100 |
60 |
25 |
M48×2 |
M85×3 |
220-1 |
|||||||
125 |
120 |
M95×3 |
-2 |
|||||||||||||||||||||||||||||
160 |
140 |
M125×3 |
-3 |
|||||||||||||||||||||||||||||
250 |
125 |
100 |
299 |
450 |
390 |
330 |
12 holes ∅ 32 |
120 |
446 |
115 |
155 |
120 |
245 |
110 |
70 |
M95×3 |
250-1 |
|||||||||||||||
140 |
125 |
M100×3 |
-2 |
|||||||||||||||||||||||||||||
180 |
160 |
M145×3 |
-3 |
|||||||||||||||||||||||||||||

UGD…Z intermediate hinge shaft type constant velocity cylinder
Cylinder diameter |
Rod diameter |
∅1 |
∅2 |
∅3 |
∅7 |
L (LL) |
L1 |
L2 |
L3 |
L4 |
L6 |
L7 |
L8 |
L9 |
L10 (f11) |
L16 |
R |
B |
B1 |
H |
M1 |
M2 |
Rod end earring |
||||||
Dimensions |
Bearing hole tolerance |
min |
max |
Non-cushion |
Cushion Y |
CR |
QR |
CH |
QH |
||||||||||||||||||||
40 |
20 |
20 |
0-0.010 |
58 |
70 |
25 |
124 (118) |
100+S (94+S) |
192 |
16 |
25 |
70 |
59 |
10 |
30 |
28 |
110 |
70 |
50 |
25 |
16 |
12 |
M18×1.5 |
M14×1.5 |
40-1 |
||||
22 |
28 |
M16×1.5 |
-2 |
||||||||||||||||||||||||||
28 |
35 |
M22×1.5 |
-3 |
||||||||||||||||||||||||||
50 |
25 |
30 |
70 |
80 |
28 |
129 (121) |
99+S (91+S) |
192 |
18 |
30 |
58 |
40 |
34 |
130 |
80 |
60 |
35 |
22 |
M20×1.5 |
50-1 |
|||||||||
28 |
35 |
M22×1.5 |
-2 |
||||||||||||||||||||||||||
36 |
42 |
M27×2 |
-3 |
||||||||||||||||||||||||||
63 |
32 |
83 |
100 |
35 |
143 (138) |
129+S (124+S) |
232 |
20 |
35 |
73 |
76 |
15 |
155 |
100 |
65 |
15 |
M22×1.5 |
M24×1.5 |
63-1 |
||||||||||
36 |
42 |
M27×2 |
-2 |
||||||||||||||||||||||||||
45 |
45 |
M33×2 |
-3 |
||||||||||||||||||||||||||
80 |
40 |
40 |
0-0.012 |
108 |
120 |
42 |
142 (140) |
143+S (141+S) |
245 |
45 |
75 |
18 |
55 |
44 |
185 |
125 |
105 |
45 |
28 |
M30×2 |
80-1 |
||||||||
45 |
48 |
M33×2 |
-2 |
||||||||||||||||||||||||||
56 |
60 |
M42×2 |
-3 |
||||||||||||||||||||||||||
90 |
45 |
114 |
135 |
48 |
147 (145) |
138+S (136+S) |
78 |
200 |
140 |
110 |
M33×2 |
90-1 |
|||||||||||||||||
50 |
52 |
M36×2 |
-2 |
||||||||||||||||||||||||||
63 |
68 |
M48×2 |
-3 |
||||||||||||||||||||||||||
100 |
50 |
50 |
127 |
150 |
52 |
168 (166) |
147+S (145+S) |
275 |
50 |
89 |
85 |
70 |
54 |
230 |
155 |
130 |
60 |
35 |
20 |
M27×2 |
M36×2 |
100-1 |
|||||||
56 |
60 |
M42×2 |
-2 |
||||||||||||||||||||||||||
70 |
72 |
M52×2 |
-3 |
||||||||||||||||||||||||||
110 |
56 |
140 |
165 |
60 |
169 (167) |
156+S (154+S) |
285 |
55 |
90 |
90 |
245 |
170 |
135 |
M42×2 |
110-1 |
||||||||||||||
63 |
68 |
M48×2 |
-2 |
||||||||||||||||||||||||||
80 |
80 |
M60×2 |
-3 |
||||||||||||||||||||||||||
125 |
63 |
152 |
185 |
68 |
183 (181) |
155+S (153+S) |
298 |
60 |
104 |
87 |
260 |
185 |
140 |
M48×2 |
125-1 |
||||||||||||||
70 |
72 |
M52×2 |
-2 |
||||||||||||||||||||||||||
90 |
90 |
M68×2 |
-3 |
||||||||||||||||||||||||||
140 |
70 |
60 |
0-0.015 |
168 |
210 |
72 |
203 (201) |
165+S (163+S) |
328 |
65 |
114 |
105 |
80 |
64 |
290 |
200 |
155 |
70 |
44 |
M33×2 |
M52×2 |
140-1 |
|||||||
80 |
80 |
M60×2 |
-2 |
||||||||||||||||||||||||||
100 |
100 |
M76×3 |
-3 |
||||||||||||||||||||||||||
150 |
75 |
180 |
222 |
76 |
208 (206) |
165+S (163+S) |
333 |
70 |
119 |
110 |
305 |
215 |
157 |
M56×2 |
150-1 |
||||||||||||||
85 |
85 |
M64×2 |
-2 |
||||||||||||||||||||||||||
105 |
105 |
M80×3 |
-3 |
||||||||||||||||||||||||||
160 |
80 |
194 |
235 |
80 |
213 (211) |
170+S (168+S) |
343 |
75 |
124 |
115 |
320 |
230 |
160 |
M60×2 |
160-1 |
||||||||||||||
90 |
90 |
M68×2 |
-2 |
||||||||||||||||||||||||||
110 |
110 |
M85×3 |
-3 |
||||||||||||||||||||||||||
180 |
90 |
70 |
219 |
270 |
90 |
233 (230) |
193+S (190+S) |
376 |
25 |
85 |
129 |
122 |
22 |
90 |
74 |
360 |
255 |
180 |
80 |
49 |
M42×2 |
M68×2 |
180-1 |
||||||
100 |
100 |
M76×3 |
-2 |
||||||||||||||||||||||||||
125 |
120 |
M95×3 |
-3 |
||||||||||||||||||||||||||
200 |
100 |
80 |
245 |
295 |
100 |
250 (247) |
196+S (193+S) |
396 |
95 |
141 |
127 |
100 |
84 |
405 |
285 |
200 |
90 |
55 |
M76×3 |
200-1 |
|||||||||
110 |
110 |
M85×3 |
-2 |
||||||||||||||||||||||||||
140 |
125 |
M100×3 |
-3 |
||||||||||||||||||||||||||
220 |
110 |
90 |
0-0.020 |
272 |
330 |
110 |
262 (259) |
224+S (221+S) |
436 |
105 |
146 |
143 |
110 |
94 |
455 |
320 |
225 |
100 |
60 |
25 |
M48×2 |
M85×3 |
220-1 |
||||||
125 |
120 |
M95×3 |
-2 |
||||||||||||||||||||||||||
160 |
140 |
M125×3 |
-3 |
||||||||||||||||||||||||||
250 |
125 |
100 |
299 |
335 |
120 |
275 (272) |
221+S (218+S) |
446 |
115 |
155 |
120 |
102 |
500 |
350 |
245 |
110 |
70 |
M95×3 |
250-1 |
||||||||||
140 |
125 |
M100×3 |
-2 |
||||||||||||||||||||||||||
180 |
160 |
M145×3 |
-3 |
||||||||||||||||||||||||||

UGD…D foot type constant velocity cylinder
Cylinder diameter |
Rod diameter |
∅1 |
∅2 |
∅3 |
∅7 |
L1 |
L2 |
L3 |
L4 |
L5 |
L6 |
L7 |
L8 |
L9 |
L10 |
L11 |
L12 |
L13 |
L14 |
L15 |
L16 |
R |
B |
B1 |
H |
M1 |
M2 |
Rod end earring |
|||||
Dimensions |
Bearing hole tolerance |
Non-cushion |
Cushion Y |
CR |
QR |
CH |
QH |
||||||||||||||||||||||||||
40 |
20 |
20 |
0-0.010 |
58 |
11 |
25 |
192 |
16 |
25 |
70 |
59 |
17 |
10 |
30 |
25 |
28.5 |
167 |
105 |
130 |
25 |
40 |
22.5 |
50 |
25 |
16 |
12 |
M18×1.5 |
M14×1.5 |
40-1 |
||||
22 |
28 |
M16×1.5 |
-2 |
||||||||||||||||||||||||||||||
28 |
35 |
M22×1.5 |
-3 |
||||||||||||||||||||||||||||||
50 |
25 |
30 |
70 |
28 |
192 |
18 |
30 |
58 |
20 |
40 |
30.5 |
167 |
120 |
150 |
30 |
45 |
22.5 |
60 |
35 |
22 |
M20×1.5 |
50-1 |
|||||||||||
28 |
35 |
M22×1.5 |
-2 |
||||||||||||||||||||||||||||||
36 |
42 |
M27×2 |
-3 |
||||||||||||||||||||||||||||||
63 |
32 |
83 |
13 |
35 |
232 |
20 |
35 |
73 |
76 |
15 |
30 |
35 |
202 |
140 |
175 |
35 |
50 |
30 |
65 |
15 |
M22×1.5 |
M24×1.5 |
63-1 |
||||||||||
36 |
42 |
M27×2 |
-2 |
||||||||||||||||||||||||||||||
45 |
45 |
M33×2 |
-3 |
||||||||||||||||||||||||||||||
80 |
40 |
40 |
0-0.012 |
108 |
17 |
42 |
245 |
45 |
75 |
25 |
18 |
55 |
40 |
40 |
205 |
160 |
200 |
40 |
60 |
38 |
105 |
45 |
28 |
M30×2 |
80-1 |
||||||||
45 |
48 |
M33×2 |
-2 |
||||||||||||||||||||||||||||||
56 |
60 |
M42×2 |
-3 |
||||||||||||||||||||||||||||||
90 |
45 |
114 |
48 |
78 |
185 |
230 |
45 |
70 |
110 |
M33×2 |
90-1 |
||||||||||||||||||||||
50 |
52 |
M36×2 |
-2 |
||||||||||||||||||||||||||||||
63 |
68 |
M48×2 |
-3 |
||||||||||||||||||||||||||||||
100 |
50 |
50 |
127 |
21 |
52 |
275 |
50 |
89 |
85 |
30 |
70 |
45 |
42.5 |
230 |
205 |
255 |
50 |
80 |
40.5 |
130 |
60 |
35 |
20 |
M27×2 |
M36×2 |
100-1 |
|||||||
56 |
60 |
M42×2 |
-2 |
||||||||||||||||||||||||||||||
70 |
72 |
M52×2 |
-3 |
||||||||||||||||||||||||||||||
110 |
56 |
140 |
60 |
285 |
55 |
90 |
90 |
240 |
230 |
280 |
55 |
90 |
135 |
M42×2 |
110-1 |
||||||||||||||||||
63 |
68 |
M48×2 |
-2 |
||||||||||||||||||||||||||||||
80 |
80 |
M60×2 |
-3 |
||||||||||||||||||||||||||||||
125 |
63 |
152 |
25 |
68 |
298 |
60 |
104 |
87 |
55 |
47.5 |
243 |
255 |
310 |
60 |
100 |
45.5 |
140 |
M48×2 |
125-1 |
||||||||||||||
70 |
72 |
M52×2 |
-2 |
||||||||||||||||||||||||||||||
90 |
90 |
M68×2 |
-3 |
||||||||||||||||||||||||||||||
140 |
70 |
60 |
0-0.015 |
168 |
72 |
328 |
65 |
114 |
105 |
35 |
80 |
273 |
280 |
340 |
65 |
115 |
155 |
70 |
44 |
|
M52×2 |
145-1 |
|||||||||||
80 |
80 |
M60×2 |
-2 |
||||||||||||||||||||||||||||||
100 |
100 |
M33×2 |
M76×3 |
-3 |
|||||||||||||||||||||||||||||
150 |
75 |
180 |
76 |
333 |
70 |
119 |
110 |
60 |
50 |
295 |
355 |
67 |
120 |
48 |
157 |
M56×2 |
150-1 |
||||||||||||||||
85 |
85 |
M64×2 |
-2 |
||||||||||||||||||||||||||||||
105 |
105 |
M80×3 |
-3 |
||||||||||||||||||||||||||||||
160 |
80 |
194 |
31 |
80 |
343 |
75 |
124 |
115 |
65 |
52.5 |
278 |
310 |
375 |
70 |
130 |
50.5 |
160 |
M60×2 |
160-1 |
||||||||||||||
90 |
90 |
M68×2 |
-2 |
||||||||||||||||||||||||||||||
110 |
110 |
M85×3 |
-3 |
||||||||||||||||||||||||||||||
180 |
90 |
70 |
219 |
90 |
376 |
25 |
85 |
129 |
122 |
40 |
22 |
90 |
70 |
60 |
306 |
345 |
415 |
75 |
145 |
57 |
180 |
80 |
49 |
M42×2 |
M68×2 |
180-1 |
|||||||
100 |
100 |
M76×3 |
-2 |
||||||||||||||||||||||||||||||
125 |
120 |
M95×3 |
-3 |
||||||||||||||||||||||||||||||
200 |
100 |
80 |
245 |
100 |
396 |
95 |
141 |
127 |
100 |
326 |
385 |
465 |
80 |
165 |
200 |
90 |
55 |
M76×3 |
200-1 |
||||||||||||||
110 |
110 |
M85×3 |
-2 |
||||||||||||||||||||||||||||||
140 |
125 |
M100×3 |
-3 |
||||||||||||||||||||||||||||||
220 |
110 |
90 |
0-0.020 |
272 |
37 |
110 |
436 |
105 |
146 |
143 |
50 |
110 |
87 |
68.5 |
349 |
435 |
525 |
90 |
185 |
65.5 |
225 |
100 |
60 |
25 |
M48×2 |
M85×3 |
220-1 |
||||||
125 |
120 |
M95×3 |
-2 |
||||||||||||||||||||||||||||||
160 |
140 |
M125×3 |
-3 |
||||||||||||||||||||||||||||||
250 |
125 |
100 |
299 |
45 |
120 |
446 |
115 |
155 |
120 |
92 |
71 |
354 |
495 |
595 |
100 |
205 |
68 |
245 |
110 |
70 |
M95×3 |
250-1 |
|||||||||||
140 |
125 |
M100×3 |
-2 |
||||||||||||||||||||||||||||||
180 |
160 |
M145×3 |
-3 |
||||||||||||||||||||||||||||||