
Clamping Hydraulic Cylinders for Continuous Casting and Rolling Lines










Clamping Hydraulic Cylinders for Continuous Casting and Rolling Lines
In the critical production processes of continuous casting and rolling—characterized by large-scale investment, high technical intensity, and uninterrupted operation—clamping hydraulic cylinders have far surpassed their traditional role as simple “clamping” components. As advanced products integrating precision mechanics, hydraulic transmission, and automatic control, they have become essential to ensuring production safety, improving product quality, enhancing operational efficiency, and extending equipment service life. The design sophistication, performance stability, and maintenance standards of these cylinders directly reflect the modernization level and overall competitiveness of the entire production line.
With over 30 years of accumulated expertise, Uranus has supplied thousands of clamping hydraulic cylinders to continuous casting and rolling lines worldwide. Renowned for stable operation, durability, and long service life, the products have maintained an outstanding record of zero quality incidents, earning widespread recognition and long-term trust from customers.
Product Examples
1.Clamping Cylinder
Cylinder Bore: 520 mm, Rod: 240/220 mm, Stroke: 245 mm
Working Pressure: 20 MPa, Test Pressure: 34.5 MPa
Medium: HFDU-VG46
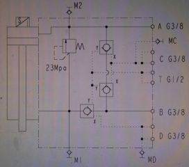
2.HAINZL Segment Clamping Cylinder
Cylinder Bore: 360 mm, Rod: 140 mm, Stroke: 200 mm
Working Pressure: 23 MPa, Test Pressure: 37.5 MPa
Medium: Water-Glycol

3.3.Clamping Cylinder
Cylinder Bore: 290 mm, Rod: 200/250 mm, Stroke: 140 mm
Working Pressure: 22 MPa, Test Pressure: 31.5 MPa
Medium: Water-Glycol

4.Arc Segment Clamping Cylinder
Cylinder Bore: 310 mm, Rod: 200/265 mm, Stroke: 230 mm
Working Pressure: 25 MPa, Test Pressure: 37.5 MPa
Medium: Hydraulic Oil

5.Servo Clamping Cylinder
Cylinder Bore: 450 mm, Rod: 200 mm, Stroke: 290 mm
Working Pressure: 25 MPa, Test Pressure: 31.5 MPa
Medium: Hydraulic Oil
Built-in displacement sensor
6. Vertical Clamping Cylinder
Cylinder Bore: 63 mm, Rod: 36 mm, Stroke: 240 mm
Working Pressure: 11.5 MPa, Test Pressure: 17.5 MPa
Medium: Hydraulic Oil
7.Clamping Cylinder
Cylinder Bore: 330 mm, Rod: 150 mm, Stroke: 195 mm
Working Pressure: 11.5 MPa, Test Pressure: 17.5 MPa
Medium: Hydraulic Oil
8. Clamping Cylinder 28042
Cylinder Bore: 80 mm, Rod: 70 mm, Stroke: 120 mm
Working Pressure: 29 MPa, Test Pressure: 36 MPa
Medium: Hydraulic Oil
9.Horizontal Servo Clamping Cylinder
Cylinder Bore: 80 mm, Rod: 36 mm, Stroke: 285 mm
Working Pressure: 11.5 MPa, Test Pressure: 17 MPa
Medium: Hydraulic Oil
Built-in displacement sensor
10.Spring Clamping Cylinder 28655 (Spring Applied, Hydraulic Released)
Cylinder Bore: 35 mm, Rod: 16 mm, Stroke: 10.4 mm
Brake Wheel Diameter: 140 mm, Clamping Torque: 550 Nm
Clamping Stroke: 5 mm, Spring Force: 6552 N
Release Pressure: 8.4 MPa, Release Stroke: 5.4 mm
Medium: Hydraulic Oil
11.Spring Clamping Cylinder 13749 (Spring Applied, Hydraulic Released)
Cylinder Bore: 125 mm, Rod: 100 mm, Stroke: 23 mm
Working Pressure: 17 MPa, Test Pressure: 25 MPa
Medium: Hydraulic Oil
Rated Clamping Force: 5699–11513 N
12.Spring Return Cylinder 28654 (Hydraulic Applied, Spring Released)
Cylinder Bore: 60 mm, Rod: 50 mm, Stroke: 12 mm
Working Pressure: 12 MPa, Test Pressure: 25 MPa
Medium: Hydraulic Oil
