
Produkto ng UF Series Synchronous Distributor Hydraulic Cylinder Mga larawan 




Mga Gabay sa Pagpili at Paggamit ng UF Series Synchronous Distributor Hydraulic Cylinder
Ang UF Series Synchronous Distributor Hydraulic Cylinder (tinutukoy dito bilang ang UF Cylinder) ay isa sa mga bagong serye ng produkto na binuo ng URANUS.
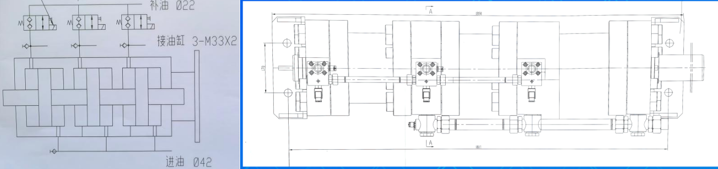
Ang UF Cylinder ay isang single-rod, multi-piston hydraulic cylinder. Ang skematikong diagrama ay ipinapakita sa kanan:
Dahil parehong ginagamit ng lahat ng piston ang isang silindro at isang baras ng piston, pantay ang kanilang anular na bahaging krus-korte. Kapag gumagalaw ang mga piston, naglalakbay ang lahat ng piston ng magkatulad na hakbang sa parehong bilis, kaya ang daloy at dami ng pressure medium sa parehong input at output ay eksaktong magkatulad. Ang pinakamalaking kalamangan ng UF Cylinder ay hindi maapektuhan ang katumpakan nito sa pagsinkronisa ng presyon ng sistema, bilis ng daloy, karga, o iba pang panlabas na salik. 
Gumagamit ang UF Cylinder ng pinakamodernong seal na walang panloob o panlabas na pagtagas mula sa Europa at Estados Unidos. Sa makrokosmikong pananaw, kayang makamit ng UF Cylinder ang ganap na pagsinkronisa, isang kakayahang hindi kayang ipagkaloob ng speed control valve, synchronous valve, o synchronous motor.
Dahil walang synchronization error ang UF Cylinder, hindi na kailangang gumamit ng iba't ibang displacement sensor para sa pagsubaybay, pagtukoy, o paghahambing, ni hindi kailangan ang mahahalagang servo o proportional system. Ang pagbabawas na ito ay nagpapababa nang malaki sa gastos, failure rate, at maintenance expenses.
Pagganap ng UF Cylinder: Working pressure: 0~25 MPa, Minimum starting pressure: ≤0.3 MPa, Pressure test: 32 MPa. Maaaring gamitin ng karaniwang UF Cylinder ang iba't ibang mineral oils bilang working medium. Ang mga espesyal na UF Cylinder ay maaaring gumamit ng tubig, water–glycol, emulsions, phosphate esters, at iba't ibang weakly acidic o alkaline na working media. Operating temperature: Karaniwang UF Cylinder: –35 °C hanggang ~80 °C, High-temperature UF Cylinder: –35 °C hanggang ~220 °C. Operating speed: Karaniwang UF Cylinder: 500 mm/s, High-speed UF Cylinder: hanggang 2,000 mm/s o mas mataas pa. Maximum output volume: Double-piston UF Cylinder: 2 × 240 L, Four-piston UF Cylinder: 4 × 120 L
Ang UF Cylinder ay maaaring makamit ang pagkakasinkronisa para sa mga sumusunod na uri ng hydraulic cylinder:
1. Mga single-acting plunger cylinder, single-acting multi-stage cylinder, at rack-and-pinion swing hydraulic cylinder na may parehong diameter ng plunger at stroke.
2. Mga double-acting hydraulic cylinder at double-acting multi-stage cylinder na may magkaparehong diameter ng piston, diameter ng piston rod, at stroke.
3. Mga double-acting piston cylinder na may magkaparehong diameter ng piston at stroke, ngunit magkaibang diameter ng piston rod.
4. Kapag ang diameter at stroke ng isang double-acting piston cylinder ay katulad ng diameter ng plunger at stroke ng isang single-acting plunger cylinder, ang magkasabay na operasyon ng dalawang magkakaibang uri ng hydraulic cylinder ay maaari ring makamit.
5. Ang iba't ibang hydraulic cylinder na may iba't ibang uri, cylinder bore, diameter ng rod, stroke, karga, at working pressure ay maaaring mag-operate nang sabay-babay kahit pa magkakaiba ang mga ito, basta't pantay ang kanilang volume.
Maaari rin naming ibigay ang UFT Non-Equal-Volume Synchronous Distributor Cylinder, na kayang magamit para sa synchronous na operasyon ng mga hydraulic cylinder na may magkaparehong stroke ngunit magkakaibang diameter ng cylinder, diameter ng rod, at volume. Ang mga UFT Cylinders ay hindi karaniwang cylinder na idinisenyo at ginawa batay sa mga pangangailangan ng kliyente.
Ang mga UF Cylinders na may kasamang check valves ay maaari ring gamitin bilang mga fixed-displacement injectors.
Ang mga UF Cylinders na may built-in o panlabas na displacement sensors ay kayang makamit ang servo o proportional control ng mga synchronous cylinder.
Hindi angkop ang mga UF Cylinders para sa mga synchronous cylinder na may malaking internal leakage.
Ang aming kumpanya ay maaari ring magbigay ng kompletong synchronous hydraulic systems, na kinabibilangan ng parehong synchronous cylinders at synchronous hydraulic assemblies.
Gumagamit ang aming mga synchronous hydraulic cylinder ng de-kalidad na imported na seal mula sa Europa at Estados Unidos, na nagagarantiya hindi lamang sa walang leakage sa loob at labas kundi pati sa napakatagal na haba ng serbisyo. Ang karaniwang distansya ng operasyon nang walang pagkabigo ay nasa pagitan ng isang milyong metro hanggang sampung milyong metro.
Ang aming UZ Series Synchronous Hydraulic Cylinder Stations ay hindi lamang maaasahan sa operasyon kundi kompak din sa istruktura at aesthetically designed.
Paraan ng Pagpili para sa UF Cylinders:
1. Kalkulahin muna ang volume ng synchronous cylinder: sa cm³, pagkatapos hatiin ng annular area ng UF Cylinder (tingnan ang pahina 5) upang matukoy ang stroke ng UF Cylinder. Dalawang halimbawa ang ibinigay:
1.1 Ang volume ng isang plunger cylinder na may diameter na 80 mm at stroke na 1000 mm, o isang piston cylinder na may diameter na 80 mm, rod diameter na 45 mm, at stroke na 1000 mm (rodless side) ay: (80÷20)2π×(1000÷10)=1600πcm3
Kung pipiliin ang isang UF Cylinder na may bore na 125 mm, ang stroke ng UF Cylinder ay dapat: 1600π÷32.81π×10≈488mm
Kung pipiliin ang isang UF Cylinder na may bore na 140 mm, ang stroke ay dapat: 1600π÷39.08π×10≈409mm
1.2 Ang dami ng langis sa chamber na nasa gilid ng rod ng piston cylinder na may diameter ng silindro na 100 mm, diameter ng rod na 70 mm, at stroke na 1000 mm ay:
[(100÷20)2-(70÷20)2]π×(1000÷10)=1275πcm3
Kung pipiliin ang isang UF Cylinder na may bore na 125 mm, ang stroke ng UF Cylinder ay dapat:
2. Kompensasyon para sa pagkawala ng dami: Upang maiwasan ang pagkawala ng dami dahil sa mga kamalian sa pagkalkula, manufacturing tolerances, at pagkawala ng dami sa pipeline, karaniwang ginagawa ang UF Cylinder stroke na 3–20 mm nang mas mahaba kaysa sa kinakalkulang stroke. Kaya naman, sa halimbawa 1.1, kapag pumipili ng UF125 Cylinder, maaaring itaas ang stroke hanggang 495 mm; para sa UF140 Cylinder, maaaring itaas ang stroke hanggang 415 mm. Sa halimbawa 1.2, maaaring itaas ang UF125 Cylinder stroke hanggang 395 mm. Ang pagpapahaba sa aktwal na stroke ng UF Cylinder ay nag-iiba rin upang maiwasan ang mga impact sa bawat dulo ng stroke at mapahaba ang serbisyo nito.
3. Limitasyon ng Stroke: Dahil binubuo ang UF Cylinder ng maramihang pistons na nakahanay nang pangserye, ang stroke ng UF Cylinder (lalo na kapag sinisinkronisa ang maramihang cylinder) ay hindi dapat masyadong mahaba.
Pangunahing Prinsipyo ng Paggana ng UF Cylinder:
Mayroong maraming uri ng synchronization system para sa synchronous cylinders. Nasa ibaba, dalawang karaniwang ginagamit na simpleng halimbawa ang ibinigay upang ipaliwanag ang prinsipyo ng paggana ng UF Cylinder.
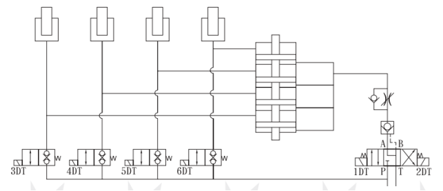
1. Hydraulic Schematic Diagram ng isang Apat na Piston na Synchronous Cylinder 
Sa diagrama, kapag binuhusan ng kuryente ang 1DT, nagbabago ang direksyon ng solenoid valve na may tatlong posisyon at apat na paraan, na nagpapahintulot sa langis na may presyon na pumasok sa apat na mababang kamera ng UF Cylinder, itinutulak ang apat na piston pataas. Ang working medium ay ipinadala nang pantay na dami sa apat na plunger cylinder, na nagdudulot ng sabay-sabay na pag-angat ng lahat ng apat na plunger cylinder. Kapag hindi binuhusan ng kuryente ang solenoid na 1DT, bumabalik ang directional valve sa orihinal nitong posisyon, at tumitigil ang paggalaw ng mga plunger cylinder. Ang langis sa mga mababang kamera ng UF Cylinder ay nakakandado ng pilot-operated check valves, na nagpipigil sa pagbaba ng mga plunger cylinder. Kapag binuhusan ng kuryente ang 2DT, nagbabago ang directional valve, na nagbubukas sa pilot-operated check valves. Ang presyon na dulot ng load ay nagdudulot ng paggalaw pababa ng mga piston ng UF Cylinder, at ang working medium ay dumadaloy pabalik sa oil tank sa pamamagitan ng mga throttle valve, na nagbibigay-daan sa sabay-sabay na pagbaba ng lahat ng apat na plunger cylinder. Upang maiwasan ang aksidente, ang bawat synchronous cylinder ay mayroong dalawang-posisyon, dalawang-paraan na make-up oil valve, na dapat uri ng zero-leakage. Ang valve na ito ay pinapagana ng isang limit o proximity switch na nakainstala kaagad bago ang dulo ng stroke ng synchronous cylinder (ang eksaktong distansya ay tinutukoy ayon sa kinakailangang accuracy ng synchronization). Halimbawa, kung kailangan ang accuracy ng synchronization na hindi bababa sa 2 mm, isang limit switch ang nakainstala 1.5 mm bago ang dulo ng stroke ng plunger cylinder.
Kung ang ilang mga silindro ay umabot na sa dulo ng stroke habang ang iba ay hindi pa nakapag-actuate sa limit switch, ang sistema ay nag-trigger ng maririnig at nakikitang alarma at pinapasid ang solenoid ng two-way na balbula, na binabago ang posisyon ng balbula upang payagan ang presurisadong langis na pumasok nang direkta sa loob ng silindro, tinitiyak na ito ay umabot sa dulo ng stroke.
Kapag may naganap na alarm signal, dapat agad na tugunan ang error. Ang mga posibleng sanhi ng error ay:
① Panlabas na pagtagas sa mga pipeline o fitting. ② Panloob o panlabas na pagtagas sa mga synchronous cylinder. ③ Panloob o panlabas na pagtagas sa mga make-up oil valve. ④ Panloob o panlabas na pagtagas sa UF Cylinder.
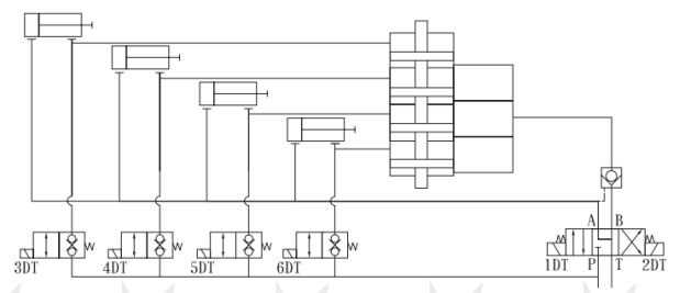
2. Hydraulic Schematic Diagram ng Isang Four-Piston Synchronous Cylinder 
Ang mga piston-type na synchronous cylinder, kahit may rod chamber o walang rod chamber, ay maaaring ikonekta sa UF Cylinder ayon sa pagpili ng gumagamit. Karaniwan, inirerekomenda na ikonekta ang UF Cylinder sa chamber na may mas maliit na volume at mas mababang working pressure. Ang mas maliit na volume ay nagdudulot ng mas mababang gastos para sa UF Cylinder, at ang mas mababang working pressure ay nagsisiguro ng mas mahabang buhay na walang sira. Sa diagrama, kapag binuhos ang kuryente sa 1DT, lumilipat ang directional valve, at pumapasok ang pressurized oil sa lower chamber ng UF Cylinder, itinutulak nito ang piston at ipinapasa ang oil mula sa upper chamber papunta sa rod chamber ng synchronous cylinder, na nagdudulot ng sabay-sabay na pagretract ng piston rod. Kapag hindi binuhos ang kuryente sa 1DT, bumabalik ang directional valve sa gitnang posisyon, at ang pilot-operated check valves ang naglalock sa lahat ng hydraulic cylinder. Kapag binuhos ang kuryente sa 2DT, pumapasok ang pressurized oil sa rodless chamber ng synchronous cylinder, sabay-sabay na binubuksan ang pilot-operated check valves. Ang paggalaw ng synchronous cylinder piston ay ipinapasa ang working medium mula sa rod chamber nito papunta sa upper chamber ng UF Cylinder, itinutulak ang piston pababa at nagdudulot ng sabay-sabay na pag-extend ng apat na piston rod. Ang operasyon ng make-up oil ay halos katulad ng ginagawa sa synchronous plunger cylinders, maliban na lamang na dapat ilagay ang limit switch kaagad bago ang ganap na retracted position ng piston rod.
Pag-install ng UF Cylinder: Upang makatipid sa espasyo at mapalawig ang haba ng buhay-paglilingkod, idinisenyo ang mga UF Cylinder para sa patayong pag-install. Ang mga sukat ng flange ay ibinigay sa pahina 5. Dapat matibay at maaasahan ang pundasyon kung saan itatali ang flange. Kung talagang kailangang i-install nang pahalang, panatilihing maayos at nasa antas ang cylinder. Ang mas mahaba at mas mabigat na UF Cylinder ay dapat magkaroon ng karagdagang suporta at mahigpit na nakakabit upang maiwasan ang paggalaw o pagbasag dulot ng pagbabago ng direksyon. Ang mga UF Cylinder na naka-install nang pahalang ay hindi kasama ang base mounting flange, ngunit maaaring ibigay ang mounting support kapag hiniling ng kliyente.
Mga Pag-iingat sa Paggamit ng UF Cylinder: Dahil ang mga UF Cylinder ay volumetric synchronous cylinder, ang anumang pagtagas ay makaapekto sa kanilang pagganap sa pag-synchronize. Kaya, nararapat na sundin ang mga sumusunod na pag-iingat:
1. Dapat ganap na mapalabas ang lahat ng hangin sa loob ng UF Cylinder, mga synchronous cylinder, at mga tubo.
2. Ang mga synchronous cylinder, make-up oil valve, pipeline, at koneksyon ay dapat walang butas o sira.
3. Dapat na ma-filter ang working fluid, na may antas ng kalinisan na NAS1638 Class 9 o ISO4406:19/15 o mas mataas pa.
4. Matibay na i-tighten ang vent screw ng UF Cylinder pagkatapos tanggalin ang hangin.
5. Hindi dapat lumagpas ang working pressure sa rated pressure.
6. Matibay at maaasahan ang pundasyon ng mounting.
7. Agad na suriin at ayusin ang anumang babala kaugnay sa synchronous error.
8. Para sa mahabang high-pressure pipeline, dapat minumin ang pagpapalawak at pagkakabitin.
Para sa matagalang imbakan, dapat punuin ang UF Cylinders ng anti-corrosion oil at isara ang mga oil port.
UF Series Synchronous Distributor Hydraulic Cylinders 
Mga Kabuuang Sukat at Laki ng Mounting ng UF Series Distributor Hydraulic Cylinders
Dyametro ng Silinder |
Diyametro ng rod |
Pabilog na Area (cm ² ) |
L |
L1 |
L2 |
φ 1 |
φ 2 |
φ 3 |
φ 4 |
φ 5 |
φ 6 |
B |
Lagusan ng Langis (M) |
80 |
40 |
12π |
154 |
50 |
104 |
180 |
210 |
17 |
108 |
152 |
50 |
16 |
M27 ×2 |
100 |
40 |
21π |
187 |
60 |
125 |
215 |
250 |
17 |
127 |
176 |
50 |
16 |
M33 ×2 |
125 |
50 |
32.81π |
227 |
65 |
145 |
260 |
300 |
17 |
159 |
220 |
60 |
16 |
M42 ×2 |
140 |
63 |
39.08π |
231 |
65 |
155 |
290 |
335 |
17 |
178 |
246 |
70 |
16 |
M42 ×2 |
160 |
70 |
51.75π |
242 |
70 |
176 |
330 |
380 |
17 |
194 |
272 |
80 |
16 |
M48 ×2 |
180 |
70 |
68.75π |
262 |
70 |
186 |
365 |
420 |
17 |
219 |
300 |
80 |
16 |
M48 ×2 |
200 |
90 |
79.75π |
262 |
75 |
196 |
400 |
460 |
22 |
245 |
330 |
100 |
20 |
M48 ×2 |
220 |
100 |
96π |
262 |
75 |
216 |
450 |
520 |
22 |
270 |
365 |
110 |
20 |
M48 ×2 |
250 |
110 |
126π |
296 |
80 |
236 |
500 |
570 |
22 |
299 |
410 |
120 |
20 |
M48 ×2 |
280 |
125 |
56.94π |
306 |
80 |
256 |
570 |
660 |
22 |
325 |
642 |
130 |
20 |
M48 ×2 |
320 |
140 |
207π |
326 |
80 |
256 |
650 |
750 |
22 |
375 |
525 |
150 |
20 |
M48 ×2 |
360 |
160 |
260π |
356 |
80 |
276 |
650 |
780 |
22 |
420 |
560 |
170 |
20 |
M48 ×2 |
400 |
160 |
336π |
406 |
80 |
276 |
730 |
820 |
22 |
470 |
625 |
170 |
20 |
M48 ×2 |
Hindi Pare-parehong Dami na Sinakronisadong Distributor na Mga Hydraulic Cylinder
Ang prinsipyo ng pagsisinkronisa ng mga hydraulic cylinder na may hindi pare-parehong dami ngunit sinakronisadong distributor ay katulad ng sa UF cylinder. Ito ay mga single-rod, multi-piston hydraulic cylinder kung saan ang lahat ng piston ay may magkaparehong stroke at bilis. Ang sukat ng bawat piston ay nakabase sa volumetric output na kailangan ng kliyente. Kapag kailangan mo ng isang hydraulic cylinder na may hindi pare-parehong dami ngunit sinakronisadong distributor, mangyaring ibigay ang nais na volume (o ang lapad ng cylinder bore, diameter ng rod, at stroke ng synchronous cylinder), bilang, working pressure, at iba pang kaugnay na parameter. Batay sa impormasyong ito, bibigyan kita ng tumpak na kabuuang sukat at teknikal na detalye, na papatibay natin sa iyo bago paunlarin ang disenyo at paggawa.
Mga Halimbawa ng Aplikasyon ng Produkto:
1. Synchronous Distributor Hydraulic Cylinder UF8Φ320×480P
Diametro ng Bore: 320 mm; Diametro ng Rod: 140 mm; Stroke: 480 mm 
2. Synchronous Distributor Hydraulic Cylinder UF3Φ160×295
Diametro ng Bore: 160 mm; Diametro ng Rod: 70 mm; Stroke: 295 mm
Working Pressure: 25 MPa; Test Pressure: 37.5 MPa 
3. Synchronous Distributor Hydraulic Cylinder UF4Φ200/90-200LH
Diametro ng Bore: 200 mm; Diametro ng Rod: 90 mm; Stroke: 200 mm
Working Pressure: 25 MPa; Test Pressure: 32 MPa; Working Medium: Water Glycol
Kinakamungkutan na sensor ng displacement 
4. Synchronous Distributor Hydraulic Cylinder UF2Φ125×145P
Diametro ng Bore: 125 mm; Diametro ng Rod: 50 mm; Stroke: 145 mm
Presyong Paggawa: 21 MPa; Presyong Pagsubok: 31.5 MPa; Gitnang Paggawa: Hydraulikong Langis 