
udvidelses- og sammentrækningscylinder til coiler






Coiler-udvidningshydraulikcylinder
Produktoversigt
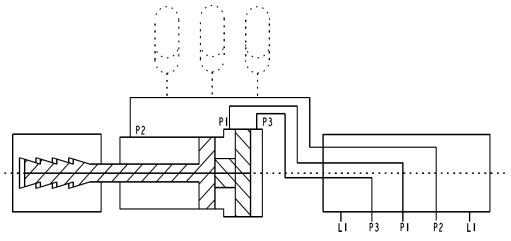
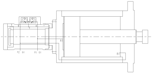
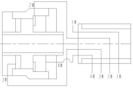
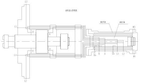
Udviklingscylinderen består af en dobbeltvirkende hydraulisk cylinder kombineret med en roterende led . Dens primære funktion er at udvide og trække tromlediameteren på op- eller afgredebåndene ved at forlænge og trække cylinderen under rotation. For præcis slaglængdestyring kan der monteres en forskydningssensor kan installeres, med valgfri tryksensor til nøjagtig overvågning og styring af skub- og trækhandlinger. To udløbs-/trykteststik findes øverst på roteringsleddet, mens hver side har fire til- og frakoblingsstik – to i brug og de øvrige forseglet. Lekagestikket i bunden skal forbindes til returlinjen for at sikre jævn olieafstrømning og forhindre ydre utætheder forårsaget af modtryk over 0,5 bar. Et momentarmhul er placeret under drejesamlingen for at fastgøre en rotationsforhindringsstang (flydende positionering for at undgå aksial belastning). Flangeoverfladen skal stå vinkelret på rotationsaksen, så radialt løb er ≤1 mm. Olie- og lækageledninger skal fastgøres sikkert for at undgå radiale eller aksiale kræfter på drejesamlingen. Til højtemperatur-varmvalsede spolere, der kræver kølevand, anvendes udvidelsescylindre med en integreret vand-drejesamling er tilgængelige.
Nøglefunktioner
● Højkvalitets ventilerende og roterende tætninger; roterende leje med præcisionslejer
● Pålidelig drift, lang levetid, nem vedligeholdelse
● Over 1000 enheder leveret worldwide i de sidste to årtier
● Tilpasset borstørrelse 100–900 mm , maks. arbejdstryk 25 MPa
● Unik spalte-tætningskonstruktion forhindrer varmeudvikling, fjerner hastighedsbegrænsninger og forlænger levetiden for drejesamlingen betydeligt
● Mandreludvidningscylinderen på rulleapparatet kan udføres dynamisk afbalanceringsprøvning og justering efter kundens krav, for at opfylde det specificerede afbalanceringshastighedsområde (afbalanceringscyklus), afbalanceringskvalitetsgrad og sikre, at den resterende ubalance overholder kundens tilladte excentricitet (restcentrifugalhastighed) standard. Der udstedes en tilhørende dynamisk afbalanceringsprøvningsrapport.
Anvendelser
Bruges bredt i:
● Koldvalsede og varmvalsede båndrulleapparater og afspoolere
● Byggemaskiner og injektionsformningsmaskiner
● Kemisk Behandlingsudstyr
I højhastighedsoperationer anvender traditionelle drejesamlinger typisk kontakt-tætninger . Den relative bevægelse genererer overmæssig varme ved tætningsfladen, hvilket forårsager tidlig slitage, ældning og utætheder, der markant forkorter levetiden.
Uranus har udviklet en proprietær tætningsdækket roterende leje , som fungerer ved hjælp af et præcisionsmellemrum mellem rotorakslen og sleeve til at opnå tætning. Da der under drift ikke er direkte metal-mod-metal- eller tætning-mod-metal-kontakt, undgås varmeudvikling effektivt, fjernes hastighedsbegrænsninger for tætningsydelsen og forlænges levetiden betydeligt.
Det roterende leje er udstyret med nøjagtige skærmere , hvilket sikrer pålidelig ydelse. I løbet af de sidste 20 år har Uranus leveret over 1.000 udvidelsescylindre verdensomspændende, anvendt bredt i kold- og varmvalsede spolemaskiner, afgrebningsmaskiner, plade- og båndbearbejdningslinjer samt byggemaskiner, injektionsformning og kemisk udstyr.
Eksempel på specifikationer
1. Udvidelsescylinder
Dobbeltcylindertandemdesign
Stor cylinder: Ø900 / Ø360 / Hub 17
Lille cylinder: Ø850 / Ø360 / Hub 77
Indbygget forskydningssensor
Arbejdstryk: 10 MPa; Prøvetryk: 15 MPa
Mærkehastighed: 450 o/min


2. Opspændings- og pressevalse rulleudvidelsescylinder
Boring Ø250; Stempelstang Ø110; Hub 113,5; Dæmper 30
Indbygget forskydningssensor
Arbejdstryk: 14 MPa; Prøvetryk: 21 MPa
Mærkehastighed: 650 o/min


3. Udvidelsescylinder
Dobbeltcylindertandemdesign
Stor cylinder: Ø760 / Ø315 / Hub 20
Lille cylinder: Ø680 / Ø315 / Hub 75
Indbygget forskydningssensor
Arbejdstryk: 12 MPa; Testtryk: 21 MPa
Mærkehastighed: 450 o/min


4. Rotations-teleskopcylinder
Cylinderrymme Ø320; Stang Ø180; Hub 74
Indbygget forskydningssensor
Rotationsleje med kølevandsomkøling
Arbejdstryk: 21 MPa; Testtryk: 25 MPa
Mærketurtal: 3800 o/min


5. Cylinderrymme Ø560; Stang Ø360/310; Hub 91,7
Arbejdstryk: 14 MPa; Testtryk: 30 MPa




Dynamisk Balance Test Dynamisk Balanceringsbølgeform
