All Categories
hydraulic power pack-0

Hydraulic Systems & Power Units

Home >  Products >  Hydraulic Systems & Power Units

Hydraulic Power Pack


Photo of Hydraulic Power PackHydraulic Power PackHydraulic Power Pack (HPU), abbreviated as "HPU", features a modular integrated design that consolidates core components including motors, hydraulic pumps, oil tanks, control valve groups, filters, coo...

Appurtenance:

  • Introduction
  • More Products
  • Appurtenance
Introduction

25178d09-3f4c-42d6-9283-cfc54e2f40a3.jpg

Photo of Hydraulic Power Pack

hydraulic power pack-2hydraulic power pack-3
hydraulic power pack-4hydraulic power pack-5hydraulic power pack-6hydraulic power pack-7

Hydraulic Power Pack

Hydraulic Power Pack (HPU), abbreviated as "HPU", features a modular integrated design that consolidates core components including motors, hydraulic pumps, oil tanks, control valve groups, filters, cooling systems, and intelligent control units into a unified structure. This system directly supplies pressurized hydraulic oil that meets specific pressure and flow requirements to external hydraulic systems. Serving as the "core power source" in industrial automation, construction machinery, and smart manufacturing fields, it provides reliable energy support for hydraulic actuators such as cylinders and motors.
Over three decades, URANUS has delivered tens of thousands of hydraulic power packs to global clients, many of which are customized solutions including servo systems, Electro-Hydraulic Actuation (EHA) systems, and 200MPa pressure-boosting systems. Our products have consistently received high praise for their performance, quality, cost-effectiveness, delivery reliability, and comprehensive after-sales service.
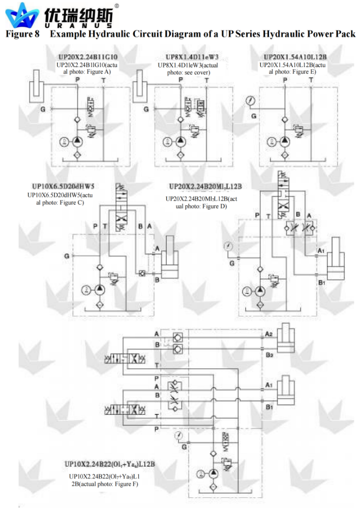
For standard performance configurations, please refer to URANUS' UP Series product catalog below.

hydraulic power pack-8

hydraulic power pack-9
hydraulic power pack-10

hydraulic power pack-11

hydraulic power pack-12


hydraulic power pack-13


hydraulic power pack-14


hydraulic power pack-15

hydraulic power pack-16


hydraulic power pack-17

hydraulic power pack-18


hydraulic power pack-19

hydraulic power pack-20
hydraulic power pack-21


hydraulic power pack-22

hydraulic power pack-23

hydraulic power pack-241758593765755_d.png

Get a Free Quote

For replacement or retrofit projects, please upload your existing drawings, OEM part numbers, or basic parameters. Our engineers will evaluate feasibility within 24–48 hours.
Email
Mobile/WhatsApp
Message
0/1000
Company Name
Product Category
Upload Drawing
Please upload at least an attachment
Up to 3 files,more 30mb,suppor jpg、jpeg、png、pdf、doc、docx、xls、xlsx、csv、txt
inquiry

Get a Free Quote

For replacement or retrofit projects, please upload your existing drawings, OEM part numbers, or basic parameters. Our engineers will evaluate feasibility within 24–48 hours.
Email
Mobile/WhatsApp
Message
0/1000
Company Name
Product Category
Upload Drawing
Please upload at least an attachment
Up to 3 files,more 30mb,suppor jpg、jpeg、png、pdf、doc、docx、xls、xlsx、csv、txt
Inquiry Inquiry Email Email WhatsApp WhatsApp TopTop